Earth

Sign up for our newsletter

We summarize the week's scientific breakthroughs every Thursday.

  1. Earth

    Mega volcanism indicted in dinosaur demise

    Precision dating strengthens idea that climate-altering Deccan volcanism contributed to dinosaur extinction.

    By
  2. Earth

    Mineralogy’s link to ecology makes an Earth twin unlikely

    Earth’s unique blend of minerals emerged with the evolution of life, making it extremely unlikely that another planet has Earth’s exact mineral composition.

    By
  3. Climate

    California drought worst in at least 1,200 years

    The current California drought is the most severe in 1,200 years, according to historical information gleaned from tree rings.

    By
  4. Climate

    Resilience protects corals from hurricanes — and climate change

    Coral reefs have evolved to be resilient in the face of hurricanes that can devastate human populations. But climate change is reducing the ability of reefs to bounce back from disaster.

    By
  5. Environment

    Black carbon fouls New York subway stations

    Black carbon, a respiratory irritant, fouls air in New York subway stations.

    By
  6. Climate

    Greenhouse gases may spell wet future for Africa

    Greenhouse gases played a role in boosting rainfall in Africa 14,000 to 21,000 years ago, a finding that may help predict future abundance of water on the continent.

    By
  7. Earth

    Feedback

    Readers comment on changing bird populations, question the usefulness of a new medical test and discuss the interesting physics behind rainbows.

    By
  8. Planetary Science

    Preparing for disaster, celebrating success

    Science cannot prevent all disasters or solve all the problems they spawn, but it can point to the best ways to prepare, making disasters less damaging than they might otherwise be

    By
  9. Earth

    Studying a volcano in a war zone

    New isotope analyses offer bad news for the people of Goma, a burgeoning city in the Democratic Republic of the Congo: Mount Nyiragongo may be more dangerous than expected.

    By
  10. Earth

    Exhibit lays out principles for disaster-resistant structures

    The National Building Museum’s ‘Designing for Disaster’ exhibit showcases the science and engineering of making disaster-resistant infrastructure.

    By
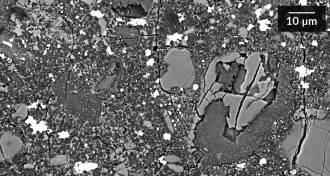
  11. Earth

    Earth’s most abundant mineral finally has a name

    Bridgmanite, the planet’s most common mineral, christened after traces found in 1879 meteorite.

    By
  12. Oceans

    Robotic subs reveal thicker Antarctic sea ice

    New measurements by robotic subs suggest that scientists have underestimated Antarctic sea ice thickness.

    By