Earth’s most abundant mineral finally has a name
Bridgmanite, long sought, now found in 1879 meteorite

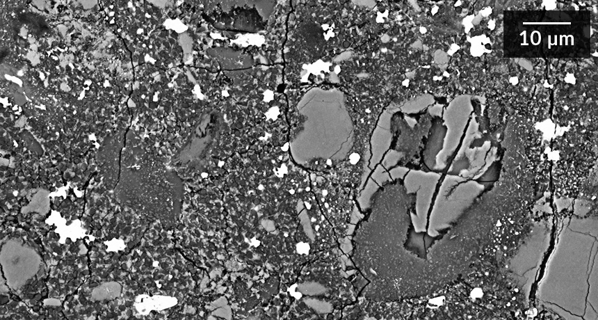
MINERAL MONIKER Part of this sample of a meteorite that crashed into Australia 135 years ago contains the newly christened mineral bridgmanite. The mineral makes up 38 percent of Earth’s volume.
O. Tschauner et al/Science 2014