Scientists develop self-healing composites
Technology hasn’t reached the point where a mechanic can walk up to a deteriorating airplane and urge: “Wing, heal thyself!” But that exhortation now comes to mind. Researchers have developed a composite material that has the ability to repair small cracks within itself.

The new material incorporates microcapsules that contain a liquid healing agent. The engineers and chemists who developed the composite say it could be used to extend the reliability and the service life of electronic and aerospace components. They describe their research in the Feb. 15 Nature.
Structural composites are typically made up of high-strength fibers embedded within a polymer matrix, says Scott R. White, an aeronautical engineer at the University of Illinois at Urbana-Champaign and codeveloper of the new material. Although lighter than metals, these high-tech materials can fall victim to many of the same threats, he notes. These include the aptly named phenomenon of fatigue–the gradual loss of strength and eventual failure of a material caused by stress-driven cracking.
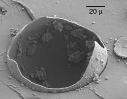
White and his colleagues sought to stem fatigue damage by embedding microcapsules of dicyclopentadiene (DCPD), a polymer precursor, into a composite’s matrix material. When a growing crack ruptures one of the 100-micrometer capsules, the DCPD flows into the fissure and comes into contact with a catalyst in the matrix. Within minutes at room temperature, the DCPD forms a new polymer that bonds the surfaces of the crack together.
Laboratory experiments showed that samples of the self-healed composite material can take up to 75 percent of the maximum tension that the intact composite can take, White says.
If microcracks are healed before they connect or grow into larger fissures, structures made of composites can have longer functional lifetimes with less maintenance, says Richard P. Wool, a materials scientist at the University of Delaware in Newark. “Having a built-in system to slow crack growth makes great sense,” he says.
On the microscopic scale, the small capsules of DCPD provide weak spots that cracks grow toward. However, that can be an advantage if cracks find and burst these balloons of healing fluid, Wool notes.
Despite the microcapsules’ slight weakening effect on the material immediately around them, White says, the rounded shape of the burst capsule reduces the stress at the formerly sharp tip of a crack. This slows the growth of the crack and extends the life of the component.
White says that one of the biggest challenges to this research was developing microcapsules that were weak enough to be ruptured by a growing crack but strong enough to withstand the curing step of the composite’s manufacturing process. The scientists eventually used capsules with 1-micrometer-thick walls made of a hardened polymerized blend of urea and formaldehyde.
In the long term, self-healing composites show potential for addressing the problem of large cracks in load-bearing structural components, says H. Thomas Hahn, a program manager at the Air Force Office of Scientific Research in Arlington, Va. Early applications of such materials could include vessels designed to hold liquids or gases under pressure. According to Hahn, whose agency partially funded White’s work, these containers are susceptible to microcracks, which can eventually grow to produce leaks.
Manufacturers could build this self-healing capability into many types of composites, Wool notes. It would be particularly useful for applications for which repair is either impossible or impractical, such as electronic circuit boards or other components of deep-space probes or implanted medical devices.