Why once-gold ceilings in Spain’s Alhambra palace have purple stains
Corrosion processes formed gold nanospheres of the right size for violet
Spain's Alhambra palace is considered a pinnacle of medieval Islamic architecture. Scientists now know why some of its intricate gold decorations turned purple.
Jebulon/Wikimedia Commons (CC0 1.0)
Once upon a time, Spain’s hilltop Alhambra palace glittered with gold. Over the centuries, though, the Islamic citadel’s ornate, gilded structures on its ceilings and elsewhere fell into disrepair, with curious purple splotches marring them. The stains’ origins were a mystery. But scientists say they now understand the chemistry behind the purple tinge.
Analyses reveal that as the gilding decayed, it formed gold spheres invisible to the naked eye that are responsible for the purple color, the researchers report online September 9 in Science Advances. The finding may have implications for understanding how other art and architecture degrades with time.
Medieval artisans crafted some Alhambra ceilings to look like a cave’s stalactites, then gilded them with a layer of tinfoil topped by a gold-and-silver alloy. In the 19th century, people covered the degrading gilding with gypsum, a white mineral found in plaster.
Geologist Carolina Cardell of Spain’s University of Granada first noticed purple stains on the gypsum in 1993, but she and her colleagues didn’t have the tools to understand the splotches back then. Things changed when the university obtained two types of electron microscopes. The microscopes couple to other instruments that reveal a sample’s chemical elements and compounds at the nanoscale.

Cardell’s colleague Carmen Navarrete, a former head of restoration at the Alhambra, died before the team could get answers. Cardell and electron microscopy expert Isabel Guerra, also of the University of Granada, soldiered on without Navarrete to examine layers of gilding, gypsum and stains from the Alhambra. “We said we have to finish this and dedicate this work to her,” Cardell says.
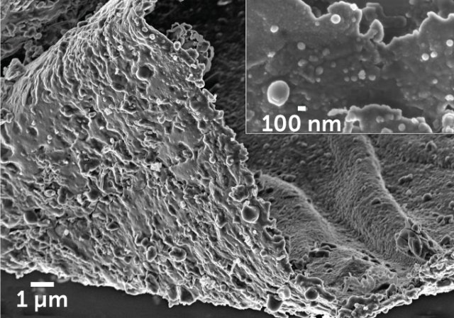
Dots in microscope images of the gypsum proved to be pure gold nanospheres, most of which are about 70 nanometers wide. Nanoparticles’ colors depend on their size, which influences their interactions with light, and 70 nanometers is the right size for a purple hue.
Based on the elements and compounds detected, Cardell and Guerra conclude that multiple corrosion processes formed the nanoparticles (SN: 3/21/15). Though pure gold is resistant to corrosion, the gold-and-silver alloy in the Alhambra is not. Flaws in the gilding let in moisture, including the Mediterranean’s chloride-rich airborne sea spray. That created chemical contacts between the gilding’s metals akin to those in a battery. As a result, the underlying tin corroded, pushing its way through defects in the alloy and covering some of the gold as grayish grime.

Different parts of the gold were thus exposed to different oxygen concentrations. That triggered further chemical reactions that dissolved some of the gold, paving the way for the spheres’ formation. Those spheres ended up settling in the gypsum, Cardell says.
“The level of detail of the study is phenomenal,” says Francesca Casadio, who heads the conservation science department at the Art Institute of Chicago. “Others are going to see these purplish hues and they are going to have a rubric to understand the phenomenon.”
Few reports of purple gold on damaged artwork and architecture exist. Cardell thinks that the white gypsum coating added to the Alhambra in the 19th century made the purple easy to notice. “We think that this purple color… is more widespread than people imagine.”